Hello Folks,
today we want to have a peek look into cascaded combinatorics with the example of priority encoder and decoders…. Second, we will introduce Karnaugh maps to do the optimization part.
Cascaded combinatorics and Priority encoder
First of all, what is a priority encoder? And for what is it used? This we can explain in a first simple list.
As interrupt controller to prioritise
As a code converter in a flash ADC.
The truth table and deduction
No. | I_7 | I_6 | I_5 | I_4 | I_3 | I_2 | I_1 | I_0 | Y_2 | Y_1 | Y_0 |
0 | 0 | 0 | 0 | 0 | 0 | 0 | 0 | 0 | * | * | * |
1 | 0 | 0 | 0 | 0 | 0 | 0 | 0 | 1 | 0 | 0 | 0 |
2 | 0 | 0 | 0 | 0 | 0 | 0 | 1 | x | 0 | 0 | 1 |
3 | 0 | 0 | 0 | 0 | 0 | 1 | x | x | 0 | 1 | 0 |
4 | 0 | 0 | 0 | 0 | 1 | x | x | x | 0 | 1 | 1 |
5 | 0 | 0 | 0 | 1 | x | x | x | x | 1 | 0 | 0 |
6 | 0 | 0 | 1 | x | x | x | x | x | 1 | 0 | 1 |
7 | 0 | 1 | x | x | x | x | x | x | 1 | 1 | 0 |
8 | 1 | x | x | x | x | x | x | x | 1 | 1 | 1 |
Karnaugh maps for Y_2, Y_1 and Y_0
\[Y_2 = I_7 + I_6 + I_5 + I_4\]
\[Y_1 = I_7 + I_6 + ( I_3 + I_2 ) \cdot ( \overline{I_7 + I_6 + I_5 + I_4 })\]
\[Y_0 = I_7 + I_5 \cdot \overline{I_7 + I_6} + I_3 \cdot {\overline{(I_7 + I_6 + I_5 + I_4 )}} + I_1 \cdot ( \overline{I_7 + I_6 + I_5 + I_4 + I_3 + I_2})\]
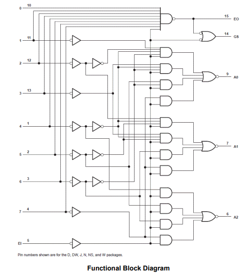
The 8 to 3 priority encoder 74HC148 function diagram as example

Combinatorics and Priority decoder
No. | A_2 | A_1 | A_0 | Y_7 | Y_6 | Y_5 | Y_4 | Y_3 | Y_2 | Y_1 | Y_0 |
0 | 0 | 0 | 0 | 1 | 1 | 1 | 1 | 1 | 1 | 1 | 0 |
1 | 0 | 0 | 1 | 1 | 1 | 1 | 1 | 1 | 1 | 0 | 1 |
2 | 0 | 1 | 0 | 1 | 1 | 1 | 1 | 1 | 0 | 1 | 1 |
3 | 0 | 1 | 1 | 1 | 1 | 1 | 1 | 0 | 1 | 1 | 1 |
4 | 1 | 0 | 0 | 1 | 1 | 1 | 0 | 1 | 1 | 1 | 1 |
5 | 1 | 0 | 1 | 1 | 1 | 0 | 1 | 1 | 1 | 1 | 1 |
6 | 1 | 1 | 0 | 1 | 0 | 1 | 1 | 1 | 1 | 1 | 1 |
7 | 1 | 1 | 1 | 0 | 1 | 1 | 1 | 1 | 1 | 1 | 1 |
The 74HC138 has active-low outputs; exactly one output goes low for each address (when enabled).
|
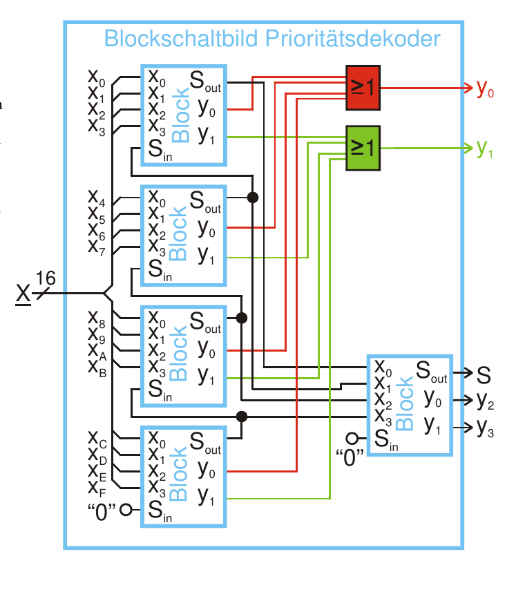
Cascaded combinatorics and Priority encoder

We can see from the table that each block along the diagonal ones fulfills the same function.
No. | S_in | X_j+3 | X_j+2 | X_j+1 | X_j+0 | S_out | Y_1 | Y_0 |
0 | 0 | 0 | 0 | 0 | 0 | 0 | * | * |
1 | 0 | 0 | 0 | 0 | 1 | 1 | 0 | 0 |
2-3 | 0 | 0 | 0 | 1 | * | 1 | 0 | 1 |
4-7 | 0 | 0 | 1 | * | * | 1 | 1 | 0 |
8-F | 0 | 1 | * | * | * | 1 | 1 | 1 |
10-1 | 1 | * | * | * | * | 1 | * | * |
\[S_{out} = S_{in} \lor X_{j+3} \lor X_{j+2} \lor X_{j+1} \lor X_{j+0} \] \[Y_{0} = \overline{S_{in}}\overline{X_{j+2}} X_{j+1} \lor \overline{S_{in}}X_{j+3}\] \[Y_{1} = \overline{S_{in}}X_{j+2} \lor \overline{S_{in}}X_{j+3}\] |
|


