Hallo Leute,
heute wollen wir einen Blick auf kaskadierte Kombinatorik am Beispiel von Prioritätscodierern und -decodierern werfen…. Anschließend werden wir Karnaugh-Diagramme zur Optimierung vorstellen.
Kaskadierte Kombinatorik und Prioritätscodierer
Zunächst einmal: Was ist ein Prioritätscodierer? Und wozu wird er verwendet? Das können wir anhand einer ersten einfachen Liste erklären.
Als Interrupt-Controller zur Priorisierung
Als Codekonverter in einem Flash-ADC.
Die Wahrheitstabelle und die Ableitung
Nr. | I_7 | I_6 | I_5 | I_4 | I_3 | I_2 | I_1 | I_0 | Y_2 | Y_1 | Y_0 |
0 | 0 | 0 | 0 | 0 | 0 | 0 | 0 | 0 | * | * | * |
1 | 0 | 0 | 0 | 0 | 0 | 0 | 1 | 0 | 0 | 0 | 2 |
0 | 0 | 0 | 0 | 0 | 0 | 1 | x | 0 | 0 | 1 | 3 |
0 | 0 | 0 | 0 | 0 | 1 | x | x | 0 | 1 | 0 | 4 |
0 | 0 | 0 | 0 | 1 | x | x | x | 0 | 1 | 1 | 5 |
0 | 0 | 0 | 1 | x | x | x | x | 1 | 0 | 0 | 6 |
0 | 0 | 1 | x | x | x | x | x | 1 | 0 | 1 | 7 |
0 | 1 | x | x | x | x | x | x | 1 | 1 | 0 | 8 |
Karnaugh-Diagramme für Y_2, Y_1 und Y_0
\[Y_2 = I_7 + I_6 + I_5 + I_4\]
\[Y_1 = I_7 + I_6 + ( I_3 + I_2 ) \cdot ( \overline{I_7 + I_6 + I_5 + I_4 })\]
\[Y_0 = I_7 + I_5 \cdot \overline{I_7 + I_6} + I_3 \cdot {\overline{(I_7 + I_6 + I_5 + I_4 )}} + I_1 \cdot ( \overline{I_7 + I_6 + I_5 + I_4 + I_3 + I_2})\]
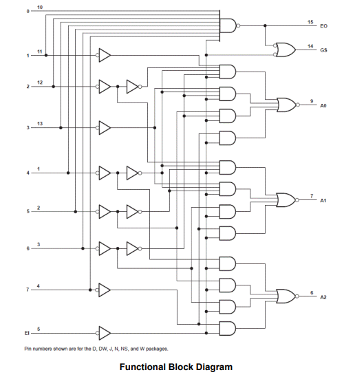
Das Funktionsdiagramm des 8-zu-3-Prioritätscodierers 74HC148 als Beispiel

Kombinatorik und Prioritätsdecoder
Nr. | A_2 | A_1 | A_0 | Y_7 | Y_6 | Y_5 | Y_4 | Y_3 | Y_2 | Y_1 | Y_0 |
0 | 0 | 0 | 0 | 1 | 1 | 1 | 1 | 1 | 1 | 1 | 0 |
1 | 0 | 0 | 1 | 1 | 1 | 1 | 1 | 1 | 0 | 1 | 2 |
0 | 1 | 0 | 1 | 1 | 1 | 1 | 1 | 0 | 1 | 1 | 3 |
0 | 1 | 1 | 1 | 1 | 1 | 0 | 1 | 1 | 1 | 4 | 1 |
0 | 0 | 1 | 1 | 1 | 0 | 1 | 1 | 1 | 1 | 5 | 1 |
0 | 1 | 1 | 1 | 0 | 1 | 1 | 1 | 1 | 1 | 6 | 1 |
1 | 0 | 1 | 0 | 1 | 1 | 1 | 1 | 1 | 1 | 7 | 1 |
Der 74HC138 hat aktiv-niedrige Ausgänge; genau ein Ausgang wird für jede Adresse niedrig (wenn aktiviert).
|
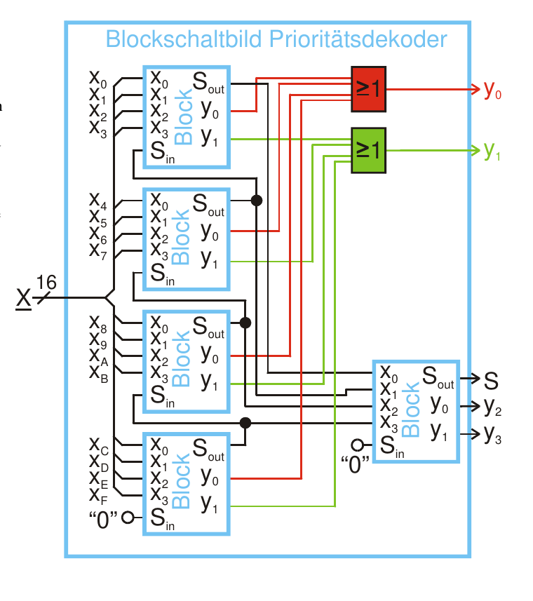
Kaskadierte Kombinatorik und Prioritätscodierer

Aus der Tabelle geht hervor, dass jeder Block entlang der Diagonalen die gleiche Funktion erfüllt.
Nr. | S_in | X_j+3 | X_j+2 | X_j+1 | X_j+0 | S_out | Y_1 | Y_0 |
0 | 0 | 0 | 0 | 0 | 0 | 0 | * | * |
1 | 0 | 0 | 0 | 0 | 1 | 1 | 0 | 0 |
2-3 | 0 | 0 | 0 | 1 | * | 1 | 0 | 1 |
4-7 | 0 | 0 | 1 | * | * | 1 | 1 | 0 |
8-F | 0 | 1 | * | * | * | 1 | 1 | 1 |
10-1 | 1 | * | * | * | * | 1 | * | * |
[role=„image“,„./Sout.svg“,imgfmt=„svg“, width="75%"] \[S_{out} = S_{in} \lor X_{j+3} \lor X_{j+2} \lor X_{j+1} \lor X_{j+0} \] [role=„image“,„./y0.svg“,imgfmt=„svg“, width="75%"] \[Y_{0} = \overline{S_{in}}\overline{X_{j+2}} X_{j+1} \lor \overline{S_{in}}X_{j+3}\] [role=„image“,„./y0.svg“,imgfmt=„svg“, width="75%"] \[Y_{1} = \overline{S_{in}}X_{j+2} \lor \overline{S_{in}}X_{j+3}\] |
|

Übersetzt mit DeepL.com (kostenlose Version)

